Cảm ơn Quý khách đã chọn động cơ điện không đồng bộ 3 pha roto lồng sóc của Công ty TNHH Cơ Khí Toàn Phát.
Trước khi vận hành động cơ, Quý khách cần đọc kỹ hướng dẫn sử dụng này và xem xét kỹ các thông số kỹ thuật ghi trên nhãn động cơ.
I. Lắp đặt động cơ
1. Môi trường xung quanh
- Đảm bảo động cơ được lắp đặt tại nơi thoáng mát, khô ráo, không bị ảnh hưởng bởi hơi nước và hóa chất làm giảm độ bền (trừ những động cơ được chế tạo đặc biệt có mã ký hiệu riêng).
 - Đảm bảo đường thông gió làm mát của động cơ không bị vật cản.
 
2. Lắp ghép
a. Lắp ghép bằng khớp nối
- Khớp nối được lắp vào trục bằng phương pháp gia nhiệt hoặc đóng trực tiếp vào đầu trục. Khi lắp khớp nối vào trục, cần đảm bảo bảo vệ đầu trục phía sau để tránh làm hỏng vòng bi và các bộ phận khác.
 - Đảm bảo độ đồng tâm giữa hai trục.
 

- Góc giữa khớp nối bên động cơ và khớp nối bên tải phải bằng 0.
 

-  
Sau khi lắp, hệ thống phải quay khớp nối một cách trơn tru; lắp ghép không đúng có thể gây gãy trục.
 
b. Lắp ghép bằng puli và dây đai
- Puli được lắp vào trục bằng phương pháp gia nhiệt hoặc đóng trực tiếp vào đầu trục. Khi lắp puli vào trục, cần đảm bảo bảo vệ đầu trục phía sau để tránh làm hỏng vòng bi và các bộ phận khác.
 - Đảm bảo sự đồng tâm giữa trục động cơ và trục máy được dẫn trong quá trình lắp đặt. Dây đai không nên quá căng để tránh tạo lực quá mức lên trục, ảnh hưởng xấu đến vòng bi.
 - Lắp ghép đúng cách sẽ giúp lực căng của dây đai phân bố đều trên puli và trục.
 

- Puli luôn phải tiếp giáp với vai trục và được cố định chắc chắn trên trục.
 - Thông thường, điểm chịu tải chính của puli phải nằm tại điểm giữa đầu trục.
 
II.  Kiểm tra trước khi vận hành
Sau khi lắp đặt động cơ điện 3 pha, cần thực hiện các kiểm tra sau trước khi vận hành:
1. Kiểm tra cơ khí
- Đảm bảo tất cả các kết nối được siết chặt và đáp ứng yêu cầu kỹ thuật.
 - Đảm bảo trục động cơ có thể quay tự do trước khi khởi động lần đầu.
 - Quay trục động cơ ít nhất một vòng để đảm bảo không có sự tiếp xúc giữa các bộ phận quay và đứng yên.
 - Siết chặt tất cả các bu lông, đai ốc trên động cơ và máy làm việc; cố định chắc chắn bốn bu lông đế hoặc bích vào giá đỡ hoặc thiết bị.
 - Đảm bảo không có vật lạ có thể bị hút vào quạt làm mát của động cơ.
 
2. Kiểm tra điện
- Đảm bảo tất cả các kết nối điện được an toàn và liên tục.
 - Kiểm tra hoạt động của các thiết bị bảo vệ quá tải, các công tắc, cầu chì và thiết bị bảo vệ động cơ để đảm bảo động cơ khởi động đúng cách.
 - Xác minh rằng điện áp và tần số cung cấp phù hợp với thông số kỹ thuật trên nhãn động cơ.
 - Kiểm tra sơ đồ kết nối trong hộp cực động cơ và đảm bảo tất cả các kết nối chính của động cơ không bị ngắn mạch hoặc chạm đất.
 - Nối đất vỏ động cơ thông qua bu lông nối đất gắn trên thân động cơ.
 - Mở hộp cực động cơ, tách rời ba pha stato và dùng máy Megger 1000V để kiểm tra điện trở cách điện giữa các pha và giữa pha với vỏ. Giá trị điện trở cách điện cần đạt:
 -  
-  
Điện trở cách điện giữa các pha Rcđ ≥ 5MΩ
 -  
Điện trở cách điện giữa pha và vỏ Rcđ ≥ 10MΩ
 
 -  
 -  
Nếu điện trở cách điện dưới các giá trị này, cần sấy khô cuộn dây stato đến khi đạt yêu cầu trước khi kết nối nguồn để vận hành.
 
Dây dẫn nối vào động cơ phải đáp ứng yêu cầu cách điện và tiết diện theo bảng quy định.
| Stt | Công suất động cơ | Tiết diện dây mỗi pha (mm²) | 
| 1 | 0.25kW-1.1 kW – 220V/380V | ≥ 0.75 | 
| 2 | 1.5 kW – 220V/380V | ≥ 1.0 | 
| 3 | 2.2 kW-3.0kW – 220V/380V | ≥ 1.5 | 
| 4 | 4.0 kW-5.5kW – 380V/660V | ≥ 3.0 | 
| 5 | 7.5kW – 380V/660V | ≥ 4.0 | 
| 6 | 11kW-15kW – 380V/660V | ≥ 8.0 | 
| 7 | 18.5kW-30kW – 380V/660V | ≥ 16 | 
| 8 | 37kW-45kW – 380V/660V | ≥ 25 | 
| 9 | 55kW – 380V/660V | ≥ 35 | 
| 10 | 75kW-110kW – 380V/660V | ≥ 50 | 
| 11 | 132kW – 380V/660V | ≥ 70 | 
| 12 | 160kW-200kW – 380V/660V | ≥ 95 | 
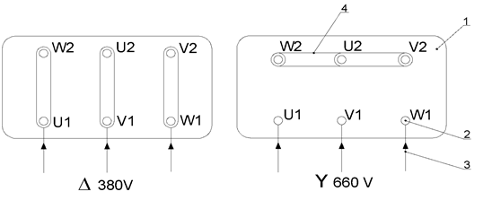
Sơ đồ đấu điện bản cực động cơ điện áp 220V/380V, 380V/660V:
Động cơ có điện áp vận hành ghi trên nhãn mác ở 220V/380V.

-  
Bản cực
 -  
Cọc nối
 -  
Dây dẫn nguồn 3 pha
 -  
Cầu nối
 
Với động cơ có điện áp vận hành ghi trên nhãn mác là 380V/660V:
.png)
- Bản cực
 - Cọc nối
 - Dây dẫn nguồn 3 pha
 - Cầu nối
 
IIII. Vận hành
- Trước khi chạy động cơ, đảm bảo nắp hộp cực đã được đóng và khu vực xung quanh không có dụng cụ hay vật cản.
 - Đảm bảo vỏ động cơ được nối đất.
 - Xác nhận tải trong giới hạn thông số kỹ thuật của động cơ.
 - Đảm bảo môi trường làm việc khô ráo, mát mẻ và tránh nước, dầu hoặc các chất lỏng khác xâm nhập vào động cơ.
 
Sau khi khởi động, nếu động cơ chạy êm, không rung hay phát ra tiếng lạ, động cơ đã sẵn sàng để hoạt động. Nếu có vấn đề xảy ra, hãy dừng lại và kiểm tra lại lắp ráp cơ học và điện. Luôn giám sát động cơ khi vận hành.
Lưu ý: Nếu khởi động lại sau thời gian dài không sử dụng hoặc trong môi trường không được bảo vệ, kiểm tra điện trở cách điện của cuộn dây. Ngắt tất cả dây cáp và làm sạch bên ngoài động cơ trước khi đo.
IV. Bảo quản và bảo trì động cơ
1.Bảo quản
- Làm sạch bề mặt động cơ thường xuyên để tránh bụi bẩn và gỉ sét.
 - Bảo quản động cơ ở nơi khô ráo để tránh giảm cách điện cuộn dây stato do các yếu tố môi trường như mưa và độ ẩm.
 
2. Bảo trì
Bôi trơn bạc đạn.
- Bôi trơn bạc đạn.
 - Sau 700 đến 1000 giờ hoạt động, thêm mỡ qua đầu bơm mỡ trên nắp động cơ hoặc tháo nắp, vệ sinh, sấy khô và bôi mỡ vào 2/3 vòng bi.
 
Lịch trình bảo trì động cơ
|   Mô tả công việc  |    Chi tiết công việc  |  
|   Kiểm tra tổng quát  |    Xem xét tình trạng vận hành và hệ thống an toàn hiện tại.  |  
|   Kiểm tra bạc đạn và dây đai truyền động  |    Kiểm tra mức độ hao mòn, điều chỉnh, sửa chữa hoặc thay thế khi cần.  |  
|   Kiểm tra các bộ phận liên quan đến động cơ  |    Kiểm tra thông số động cơ như nhiệt độ, độ rung và so sánh với giá trị ban đầu.  |  
|   Làm sạch động cơ và khu vực vận hành  |    Làm sạch động cơ và khu vực xung quanh để đảm bảo hoạt động hiệu quả.  |  
|   Đặc điểm động cơ  |    Kiểm tra thông số động cơ như nhiệt độ, độ rung và so sánh với giá trị ban đầu.  |  
|   Kiểm tra bạc đạn  |    Đảm bảo bôi trơn vòng bi theo khuyến nghị của nhà sản xuất.  |  
|   Kiểm tra độ chặt trong hộp cực  |    Kiểm tra và siết chặt tất cả các kết nối điện.  |  
|   Kiểm tra sự cân bằng nguồn 3 pha  |    Điều chỉnh và sửa chữa nếu độ mất cân bằng điện áp vượt quá 1%.  |  

Bình luận